Опис производа
Б2К орбит хидраулични мотор се у нашој фабрици назива и БМ5 орбит хидраулични мотор. Мотор серије Б2К прилагођава напредни Геролер сет дизајн са дистрибуцијом дискова. Опсег запремине је од 80цц/р до 490цц/р за избор. Може да испуни захтеве различитих брзина и обртних момента опреме.
Карактеристике:
1. Напредни производни уређаји за Геролер сет који користе низак притисак покретања, обезбеђују несметан и поуздан рад и високу ефикасност.
2. Излазна осовина се прилагођава у конусним ваљкастим лежајевима који дозвољавају велике аксијалне и радијалне силе. На тај начин могу понудити капацитете високог притиска и великог обртног момента у широким применама.
3. Напредни дизајн у протоку дистрибуције диска, који може аутоматски да компензује у раду са великом запремином и ефикасношћу и дугим животом. Ово такође може обезбедити несметан и поуздан рад.
Ова серија мотора укључује:
Б2К Стандард/Б2КВ (мотор на точковима) /Б2КС (беаринглесс) са различитим величинама и обликом прирубнице и осовине. Можете одабрати осовину и прирубницу према вашим потребама.
Предности Б2К орбитног хидрауличног мотора:
Б2К Орбит хидраулични мотор је хидраулични мотор високих перформанси који нуди неколико предности. Једна од кључних предности овог мотора је његова издржљивост, јер је направљен да издржи тешку употребу и тешке услове. То га чини идеалним за низ примена, од грађевинарства и пољопривреде до индустрије и поморства.
Још једна предност Б2К Орбит хидрауличног мотора је његова ефикасност. Овај мотор је дизајниран да ради са минималним губитком енергије, што значи да може да ради при великим брзинама док користи мање горива или електричне енергије. Ово га чини исплативим избором за предузећа која желе да побољшају свој резултат и смање утицај на животну средину.
Б2К Орбит хидраулични мотор такође нуди одличне перформансе и свестраност, са низом опција брзине и обртног момента који су доступни за различите примене. То га чини популарним избором међу извођачима и оператерима машина којима је потребан поуздан и флексибилан хидраулични мотор који може да се носи са различитим задацима.
Коначно, Б2К Орбит хидраулични мотор подржава снажан тим за подршку који пружа изузетну техничку и корисничку услугу. Ово осигурава да се предузећа могу ослонити на овај мотор у годинама које долазе, знајући да ће сва питања или питања бити решени брзо и професионално.
Све у свему, Б2К Орбит хидраулични мотор нуди низ предности за предузећа која траже издржљив, ефикасан и свестран хидраулички мотор. Са својим поузданим перформансама и изузетном подршком, то је паметна инвестиција за сваку компанију која жели да унапреди своје пословање и повећа своју продуктивност.
Подаци о спецификацији
|
Диспл. центиметар3/r |
80 |
100 |
125 |
160 |
195 |
245 |
305 |
395 |
490 |
|
|
Флов (ЛПМ) |
Континуирано |
75 |
75 |
75 |
75 |
75 |
75 |
75 |
75 |
75 |
|
Наизменичан |
75 |
95 |
95 |
115 |
115 |
115 |
115 |
130 |
115 |
|
|
Брзина (о/мин) |
Континуирано |
799 |
742 |
576 |
477 |
385 |
308 |
246 |
191 |
153 |
|
Наизменичан |
908 |
924 |
720 |
713 |
577 |
462 |
365 |
335 |
230 |
|
|
Притисак (бар) |
Континуирано |
170 |
170 |
170 |
170 |
170 |
170 |
140 |
140 |
120 |
|
Наизменичан |
275 |
275 |
275 |
275 |
240 |
240 |
205 |
170 |
140 |
|
|
Обртни момент (N.m) |
Континуирано |
195 |
245 |
315 |
380 |
455 |
555 |
560 |
700 |
845 |
|
Наизменичан |
305 |
395 |
550 |
530 |
625 |
765 |
805 |
890 |
930 |
|
Подаци перформанси






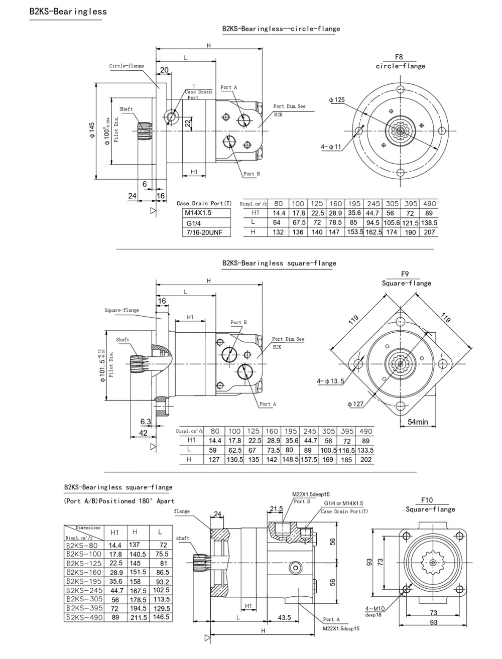
Димензије

прирубница и пилот Диа

Димензије осовине


Димензије нафтног прикључка

Б2КС-Беаринглесс


Информације о поруџбини: Б2к (БМС)
|
1 |
|
2 |
|
3 |
|
4 |
|
5 |
|
6 |
|
7 |
|
1 |
2 |
3 |
4 |
5 |
6 |
7 |
|||||
|
Код |
Диспл.(ЦЦ/р) |
Прирубница |
Излаз вратило |
Порт и одводна лука |
Ротација Правац |
Паинт |
|||||
|
B2K Б2КВ Б2КС |
F1 |
4 Прирубница вијка (Стандард) пилот φ82.5 |
A1 |
Урезани 6Д-30к26к8 |
P1 |
G1/2 Г1/4 носач колектора 2-М10 |
R |
Стандард |
N |
Без боје |
|
|
80 |
F2 |
Прирубница са 2 вијка (Стандард) пилот φ82.5 |
A2 |
Цилиндрично вратило φ32 Паралелни кључ 10к8к45 |
P2 |
М22к1.5 М14к1.5 Монтажа разводника 2-М10 |
Q |
Плави |
|||
|
100 |
F3 |
6 Болт ромб-прирубница (Стандард)пилотφ82.5 |
A3 |
Цилиндрично вратило φ25 Паралелни кључ 8к7к28 |
P3 |
7/8-14унф О-прстен 7/16-20унф Монтажа разводника 2-М10 |
|||||
|
125 |
F4 |
2 вијка Ромб-прирубница (Стандард) пилот φ70 |
A4 |
вратилоφ25.4 Паралелни кључ 6.35к6.35к32 |
P4 |
НПТФ1/2 7/16-20унф носач колектора 2-М10 |
|||||
|
160 |
F5 |
4-φ13 квадратна прирубница, пилот φ100 |
A5 |
осовина φ31,75, Паралелни кључ 7,96к7,96к31,75 |
P5 |
М22к1.5 М14к1.5 Монтажа разводника 3-М10 |
|||||
|
P6 |
Г1/2 Г1/4 носач колектора 3-М10 |
||||||||||
|
195 |
F6 |
4-φ11.5 Квадратна прирубница, пилот φ82.55 |
A6 |
Зупчани 14-ДП12/24 АНСИ Б92.1П5 |
L |
Насупрот томе |
B |
Црн |
|||
|
245 |
F7 |
4-φ13.5 прирубница точка, пилот φ107.9 |
A7 |
Зупчани САЕ 6Б 6Д-25.3к21.3к6.2 |
P7 |
М22к1.5 М10к1 Монтажа разводника 3-М10 |
|||||
|
A8 |
осовина φ25.4 Воодруфф кључφ25.4к6.35 |
P8 |
М20к1.5 М14к1.5 Монтажа разводника 3-М10 |
||||||||
|
S |
Сребрно сива |
||||||||||
|
A9 |
Цилиндрично вратило φ25.4 Паралелни кључ 8к7к28 |
||||||||||
|
A10 |
Цилиндрично вратило φ30 Паралелни кључ 10к8к45 |
P9 |
НПТФ1/2 Г1/4 носач разводника 3-М10 |
||||||||
|
305 |
F8 |
(беаринглесс) круг-прирубница, пилот φ100 |
A11 |
Конусно вратило φ35 Упоредни кључ 6к6к20 |
|||||||
|
395 |
F9 |
(беаринглесс) Квадратна прирубница, пилот φ101.5 |
A12 |
Зупчани 13-ДП16/32 |
P10 |
2-φ13 0.4375-20УНФ носач колектора 3-М10 |
|||||
|
400 |
F10 |
(без лежаја)4-М10 квадратна прирубница |
A13 |
6Д-30к26к6 ОСИ ДИСТАНЦЕ 48 |
P11 |
2-φ13 М14к1,5 Монтажа разводника 3-М10 |
|||||
|
A14 |
6Д-30к26к6 ОСИ ДИСТАНЦЕ 57 |
P12 |
7/8-14унф О-прстен 7/16-20унф Монтажа разводника 3-М10 |
||||||||
|
A15 |
6Д-30к26к6 ОСИ ДИСТАНЦЕ 44.5 |
P13 |
2-φ33.2 М14к1.5 Монтажа разводника 8-М10 |
||||||||
|
A16 |
Конусна осовина φ31.75 Паралелни кључ 7,96к7,96к31,75 |
||||||||||
|
A17 |
Беаринглесс 12-ДП12/24 |
||||||||||
Напомена: Када се користи табела, попуните шифру левих редова у области цртице и дајте нам, што се шифра састоји од конструкције, померања, прирубнице за монтажу. излазно вратило и прикључци. Ако спецификација није у табели или имате посебне захтеве, контактирајте нас (вхатсапп+8615106778662).

ФАК
П: Који је датум испоруке након што је поруџбина послата?
П: Ако производи не испуњавају захтеве, како решити проблем?
П: Како израчунати обртни момент?
Обртни момент (Нм) {{0}} Запремина (цц/обр) к радни притисак (МПа) к 0,16 (фактор)
Према функционалној теореми: Вм (мл по радијану) × в (радијан у секунди) × п (МПа, диференцијални притисак) × (укупна ефикасност хидрауличког мотора) {{0}} в (радијан у секунди) × Т (Нм); па Т =Вм×П×η; где се милилитар по радијану Вм претвара у милилитар по обртају и треба га поделити са 2π, што се множи са 0,16.
Померање се може видети на етикети производа. Радни притисак зависи од мерача притиска на улазу у орбитни хидраулични мотор. Знајући ове две вредности, можете израчунати излазни обртни момент орбиталног хидрауличног мотора у овом тренутку.
П: Какво моторно коло постоји?
Popularne oznake: Б2к серија орбитни хидраулични мотор са диск вентилом, Кина Б2к серија орбитни хидраулични мотор са диск вентилом произвођачи, добављачи, фабрика

